1960 Tr3a Wiring Diagram
Tr3 Horn Relay Ottawa Valley Triumph Club Ovtc. I put the smoke back in the harnessbanished the Prince of Darkness at least temporarily.

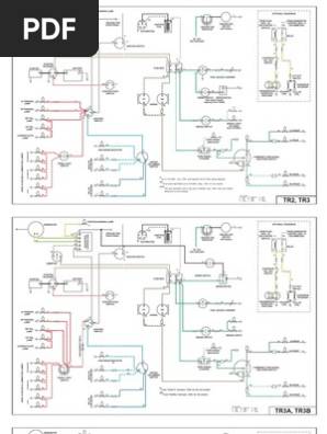
Triumph Tr3a Tr3b Color Wiring Diagram Classiccarwiring
It does not have an Amp Gauge and also shows wiring to the Temperature Gauge that only has a sending unit and no electircal connections.

1960 tr3a wiring diagram. Its designed like that to use the same wire harness on LHD or on RHD TRs. Prosperos Wiring Diagrams presents The. Triumph Tr3a Wiring Diagram Wiring Schematic Diagram 9 Laiser.
OD was operative only in top up to TS6266 may 1955. Diagram 1955 Thunderbird Overdrive Wiring Full Version Hd Quality Surgediagram Stefanomoriggi It. 64 Chevy C10 Wiring Diagram Chevy Truck Wiring Diagram 1963.
Wiring Diagrams For Tr2 Tr3 Tr4 And Tr4a Wheeled Vehicles. Posted April 3 2020. I am in the process of rebuilding a 1957 TR3A and at the wiring stage.
Triumph Tr4 Parts Catalog Wiring Diagram And Work Manual 616891604. Jun 2 2011. Reconnected the wire I previously disconnected from the field F of the generator.
The F may be hard to see on the generator so you can do these steps on the wire at the voltage regulator F terminal. I did my own diagram for my 3 but sadly not in Autocad. YOU WILL GET A DIAGRAM - NO MATTER WHAT.
This operation repolarizes the generator. E D F A1 A. Up to TS12567 July 1955.
1953 Triumph Tr3a Bilar Motorcyklar Engelska. 1960 Triumph Tr3 Wiring Diagram Free PictureOnly one switch fitted prior to this change. The old loom is a mess I have the instructions book and the original diagram.
On your LHD TR the un-used one shown in the workshop diagram is used to feed up the steering column to the chromed flasher clicker or maybe its used for the matching wire that comes from the flasher. Ez 4700 1960 Triumph Wiring Diagram Schematic. Cars from which to choose.
Attached the battery cable leading to the starter solenoid. Only one switch fitted prior to this change. Neither schematic shows a GreenBrown wire.
OD was operative only in top up to TS6266 may 1955. See diagram B2 for later wiring diagram. See diagram B2 for later wiring diagram.
Check the red wire located beneath the trunk carpet on the RH side for chafing or a bad connector. Hi Guys I need some help. Up to TS12567 July 1955.
The diagram shows the circuit for a RHD TR. Personal Transportation Scooter Wiring Manual Transmission. Only one switch fitted prior to this change.
Complete basic car included engine bay interior and exterior lights under dash harness starter and ignition circuits instrumentation etc Very clear diagram with appropriate colors. E D F A1 A A U T O-WI R E a d v a n c e M a y b e r e p r o d u c e d f o r r p e r s o n a l n o n-c o m m. Everything looks good but Im having trouble with the wiring diagram in my old triumph manual because there wires in the old harness that are not there in the new one.
Remove the wire from the battery. Wrg 7799 Tr6 Wiring Diagram. I finally got myself motivated to start tackling the new wiring harness.
Wiring Tr3v5pdf 5086 kB 11 downloads. Frogeye Austin Healey Sprite Austin Healey. The TR3 was a windfall particular- ly to sports car-starved Americans who in buying a Triumph could acquire 100-mph capability at a cost little greater than that required to obtain an 80.
See diagram B2 for later wiring diagram. Chevy Pickups 1960 Chevy Pickups Chevy Pickups 1960 Micros. I have a 1960 TR3A with the following wiring coming from the steering column harness.
Triumph TR3A TR3B Color Wiring Diagram Complete basic car included engine bay interior and exterior lights under dash harness starter and ignition circuits instrumentation etc Original factory wire colors including tracers when applicable Large size clear text easy to read. I used avery old Schematic drawing program called Board Capture. Tr3a Wiring Photos Under The Hood Tr2 Tr3 Forum Triumph Experience Car Forums.
Triumph TR3A TR3B Color Wiring Diagram. One brake light fitted up to TS15601 May 1957 for US market. Diagram triumph tr4a wiring tr4 parts catalog tr2 diagrams full 1960 tr3 picture electrical help forum for and dashboard lighting the 2003 gmc safari radio Diagram Triumph Tr4a Wiring Full Version Hd Quality Mediagrame Motoclubgargaros It Triumph Tr4 Parts Catalog Wiring Diagram And Work Manual 616891604 Triumph Tr2 Tr4a Wiring Diagrams Pdf Free.
Tony I would also like a copy of your wiring diagram if you dont mind sending it. Not really if it was in Autocad you could edit it but not a PDF. Triumph TR3 - 1960 TR3A Wiring Diagram.
GreeYellow GreenBrown Light GreenRed I have two schematics one trom my Haynes Manual for TR2 TR3 TR2A TR4 and one from the internet for TR2 and TR3. Here is a PDF made from it. Wiring Diagram Cars Trucks Wiring Diagram Cars Trucks Truck Horn.
Tr3 wiring diagram tr2 forum horn relay ottawa valley triumph 650cc diagrams 1963 70 the 4a in color cdr 13 60 herald triples online tech library main index ha 3338 schematic 1990 dodge spirit heater fan apollo microwave full electrical problem 3 3a 3b 1960 impala wiper motor tr3a 1 owner. Right Hand Flasher Parking Light Wiring Tr2 Tr3 Forum Triumph Experience Car Forums The. 200396 Color Wiring Diagram For 1977 Triumph Spitfire Wiring Library.
One brake light fitted up to TS15601 May 1957 for US market. 17 British Car Wiring Diagrambritish Car Wiring Diagrams Car. I have a wiring diagram from Glenns Triunph Repair and Tune-Up Guide but it is incomplete.
On 432020 at 826 AM Lebro said. Disconnect and isolate the red feed wire to both tail lamps. This is the third different set of wiring diagrams Ive purchased from these great folks.
Ill start with the centre gauge cluster-Theres a Ground on the metal frame of the centre cluster. 1957 1958 1959 1960 1961 1962. I bought the car in bits and boxes.
Pull the switch If the amp gauge still dives to negative there is a short before the lights. Early or late TR3A the feed wire to the parking lamps was always red.

Tr3a Wiring Photos Under The Hood Tr2 Tr3 Forum Triumph Experience Car Forums The Triumph Experience

Minimum Wiring To Start Engine Tr2 Tr3 Forum Triumph Experience Car Forums The Triumph Experience
Diagram Stewart Warner Tach Wiring Diagram Full Version Hd Quality Wiring Diagram Diagramman Prolococusanese It
Wiring Diagrams For Tr2 Tr3 Tr4 And Tr4a Wheeled Vehicles Land Vehicles

Chassis Frame Chassis Frame Triumph Tr2 3 4 Moss Motors Triumph Tr3 Triumph Triumph Cars

Diagram 1986 Dodge D50 Wiring Diagram Full Version Hd Quality Wiring Diagram Diagrammd Prolococusanese It

1954 1955 1956 1957 1958 1959 1960 1963 Triumph Tr2 Tr3 Tr3b Wiring Diagram Gbk Ebay

Diagram 1960 F100 Wiring Diagram Full Version Hd Quality Wiring Diagram Diagramhs Segretariatosocialelatina It

Tr3 Electrical Problem Tr2 3 3a 3b Forum Tr Register Forum

Tr3 Wiring Diagram Tr2 Tr3 Forum Triumph Experience Car Forums The Triumph Experience
Triumph Tr Pdf Downloads Triumph Tr4a Irs Rebuild And Restoration 1965 Paul Anderson

Tr Lubrication Triumph Tr3 Triumph System
Positive To Negative Ground Conversion Tr2 3 3a 3b Forum Tr Register Forum

1958 Tr3 Transmission Od Interlock Wsitches Tr2 Tr3 Forum Triumph Experience Car Forums The Triumph Experience

Tr3 Horn Relay Ottawa Valley Triumph Club Ovtc

Diagram Triumph Tr3 Wiring Diagram Full Version Hd Quality Wiring Diagram Diagramman Prolococusanese It

Help Dynalite Conversion W Dummy Box Tr2 Tr3 Forum Triumph Experience Car Forums The Triumph Experience Learning Math Dynalite Math Methods

Help Dynalite Conversion W Dummy Box Tr2 Tr3 Forum Triumph Experience Car Forums The Triumph Experience Dynalite Car Triumph

Tr3 Wiring Diagram Tr2 Tr3 Forum Triumph Experience Car Forums The Triumph Experience