1492 Aifm8 3 Wiring Diagram
For Field-Side Wiring Diagrams refer to the Wiring System web site information on page 200. Offering a powerful range of product drawing tools to help.

Allen Bradley Analog Interface Module 1492 Aifm8 3 Ser A Ebay
Fuses 5 x 20 mm are not included.

1492 aifm8 3 wiring diagram. Electric Garden Lights Low Voltage. For Wiring System Module with Removable Terminal Block Socket Assembly order plugs separately. For Field-Side Wiring Diagrams refer to the Wiring System web site information on page 200.
Leave a Reply Cancel reply. Your email address will not be published. Increased Volume and Productivity Cable interconnections for a wiring system can be up to 30 times faster to install than traditional point-to-point wiring enabling OEMs and panel builders using wiring systems to.
Fusing Fuse holders are included with the AIFM. Supports conversions from 1771 PLC-5 systems to 1756 ControlLogix IO. 6 At the next screen Configuration Results displays the results of your specific configuration.
Fusing Fuse holders are included with the AIFM. Required fields are marked Comment. Field-Side Wiring Terminals 3 3 per IO channel 5 5 per module.
Simplifies design and engineering time. 1492-AIFM8-3 1492 AIFM 16F 5 ab c b Module Type all types do not configure a catalog number CodeDescription 4 4 channel C Combination CE Counter Encoder 6 6 channel 8 8 channel 16 16 channel F Fused c Number of Field Side Wiring. For Field-Side Wiring Diagrams refer to the Wiring System web site information on page 200.
At the next screen click on ACCEPT for the 1492 module. Dimensions Refer to page 167. 1492-AIFM8-3 1492 AIFM 16F 5 ab c b Module Type all types do not configure a catalog number CodeDescription 4 4 channel C Combination CE Counter Encoder 6 6 channel 8 8 channel 16 16 channel F Fused c Number of Field Side Wiring.
Wiring Module 8-Channel Differential 16 Channel Single End 3 Terminals per Channel Cat. 1492-AIFM6S-3 1492-AIFM8-3 Standard Terminal 8-channel for 3-wire sensor devices. Supports conversions SLC 500 to CompactLogix 5380 and 5069 Compact IO.
Do not exceed 2 A per input 12 A per AIFM. Benefits from quality-looking panels. 2005 Chevy Colorado Blower Motor Wiring Diagram.
1492-AIFM8-3 1492 AIFM 16F 5 ab c b Module Type all types do not configure a catalog number CodeDescription 4 4 channel C Combination CE Counter Encoder 6 6 channel 8 8 channel 16 16 channel F Fused c Number of Field Side Wiring. 1492-AIFM6S-3 1492-AIFM8-3 Standard Terminal 8-channel for 3-wire sensor devices. Do not exceed 2 A per input 12 A per AIFM.
5 Click on the ACCEPT key for the configured 1492 cable. Increases machine building productivity. Configure and select products rapidly.
Allen-Bradley wiring systems deliver a lower life cycle cost. Shield Terminals Six field-side terminals are jumpered together on the AIFM and internally connected to the D-shell housing. 1492-AIFM8-3 1492-RAIFM8-3 C R R A46 A46 NI16V 4-channel input output or 2-in2-out combination with 3 terminalschannel NI16I IO Module Catalog Number 1746- Cat.
1492-AIFM6S-3 1492-AIFM8-3 Standard Terminal 8-channel for 3-wire sensor devices. Trailer Wiring Diagram 4 Pin Flat. 1492 Aifm8 3 Wiring Diagram.
5 Pinout Brochage Anschlubelegung Disposizione dei piedini Esquema de pins IO Wiring Data 1492-AIFM8-3 1492-RAIFM8-3 3 B1 B2 B3 B4 B5 B6 B7 B8 B9 B10 B11 B12 B13. Fuses 5 x 20 mm are not included. Isolation The fuse clips and blown fuse.
Wiring diagram you must select th Pre-Wired Cable Connector selection. Architectural wiring diagrams operate the approximate locations and interconnections of receptacles lighting and long-lasting electrical services in a building. Find downloads including firmware release notes associated software drivers tools and utilities.
Reduces wiring time and wiring errors. Interconnecting wire routes may be shown approximately where particular receptacles or fixtures must be upon a common circuit. 1492-AIFM8-3 1492 AIFM 16F 5 ab c b Module Type all types do not configure a catalog number CodeDescription 4 4 channel C Combination CE Counter Encoder 6 6 channel 8 8 channel 16 16 channel F Fused c Number of Field Side Wiring.
One stop shopping for software and subscription services. 3 Pin Flat Connector. 4 Configure your 1492 cable by filing in the NO SELECTION areas.
1492 ifm40f wiring diagram. Wiring Refer to the Label Section on page 174. Wiring Refer to the Label Section on page 174.
Wiring Refer to the Label Section on page 174. 1492 Aifm8 3 Wiring Diagram. Isolation The fuse clips and blown fuse.
1492-AIFM6S-3 1492-AIFM8-3 Standard Terminal 8-channel for 3-wire sensor devices. Browse the database of questions and answers on a variety of products and technologies. Literature Library Rockwell Automation.
Controller and PowerFlex Drive Wiring Systems 3 DigitalAnalog Programmable Controller and PowerFlex Number 1492- AIFM8-3 AIFM has eight extra terminals commoned together in a power bus that can be used for Publication 1492-TD008D-EN-P - January 2009 No.
1492 Aifm16 F 3to1756 If16 S Endvolt Electricity Manufactured Goods
1492 Ifm40f Wiring Diagram Programmable Logic Controller Electrical Connector

Rockwell Automation 1492 Aifm8 3 Raifm8 3 Analog Interface Modules User Manual Page 5 6

1492acable025tb Ab Allen Bradley 1492 Acable025tb Cbt Company

Design And Development Of Epics Based Rf Conditioning System For The High Power Rf Components Of Charged Particle Accelerators Semantic Scholar

Bulletin 1492 16 Channel Fusible Analog Input Interface Module Manualzz

Backplane Allen Bradley System Integration Backplane Pdf Free Download

1492acable010ub Ab Allen Bradley 1492 Acable010ub Cbt Company
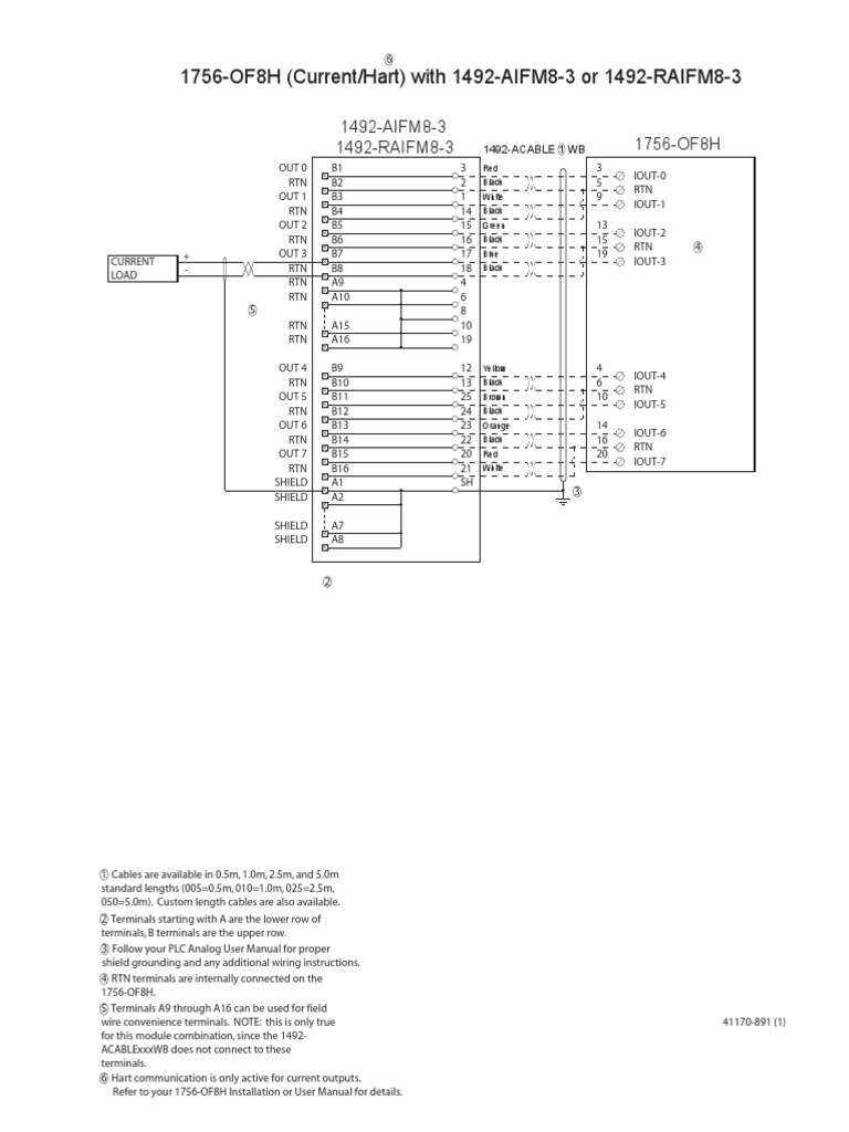
Aifm8 3 Or Rifm8 3 To 1756 Of8h Curr Hart Out 41170 891 1 Manufactured Goods

1492cable025y Ab Allen Bradley 1492 Cable025y Cbt Company
![]()
1756if8 Ab Allen Bradley 1756 If8 Cbt Company

1492cable025x Ab Allen Bradley 1492 Cable025x Cbt Company
Aifm8 3 Or Rifm8 3 To 1756 Of8h Curr Hart Out 41170 891 1 Manufactured Goods

Plc Hardware Allen Bradley 1492 Aifm8 F 5 Series A Used In Plch Packaging

1492acable025wb Ab Allen Bradley 1492 Acable025wb Cbt Company

Cat 1492 Aifm8 3 Raifm8 3 Manualzz

Allen Bradley 1492 Aifm8 3 Wiring Module 169 99 Picclick

Plc Hardware Allen Bradley 1492 Aifm8 F 5 Series A Used In Plch Packaging
