1976 Datsun 280z Wiring Diagram
Thanks to Wayne Lewis and Jim Karst for their dedicated work at scanning converting and providing the wiring diagrams. Datsun engine-specific service manuals.
Datsun Electronic Fuel Injection Wiring Diagrams
Truly we have been remarked that 1977 datsun 280z wiring diagram is being one of the most popular field at this time.
1976 datsun 280z wiring diagram. 240z tach wiring diagram van wiring diagram xj12 wiring diagram custom 260z wiring frontier wiring diagram elec wiring-diagram 260z shocks diagram 1976 datsun 280z. Return to the Table of Contents for the Datsun Fuel Injection Manual Click images to view full-size versions of each page. 1972 Datsun 240Z Wiring Diagram.
1982 Datsun 280ZX Wiring Diagram. 1977 Datsun 280z Wiring Diagram wiring diagram is a simplified adequate pictorial representation of an electrical circuit. This Auction is for a Diagram for the Following Vehicle.
Datsun Z Wiring Diagram. Wiring up an electric fuel pump is pretty simple and taking a few extra precautions can make it much safer than just. Service Manual A10 A12 ECPDF.
Blade fuse box 280z 1976 wiring diagram. 47 downloads A high resolution wiring diagram for the z. 1978 Datsun 280Z Wiring Diagram.
Having a friend come and help me look at the wiring if any one has a coloured photo or link to a diagram of all the wiring mainly dash forward. 1973 Datsun 240Z Wiring Diagram _____ 1974 Datsun 260Z Wiring Diagram _____ 1975 Datsun 280Z Wiring Diagram. While Im at it I want to emphasize that while the illustrations in the 1976 shop manual didnt always correspond with the actual vehicle they do enable a technician to reverse-engineer the fuel injection system.
US Specifications all models. The Black Here is the 78 z wiring click here. 600dpi overlapping scan of the fold-out wiring diagram from a 1976 280Z FSM Scan size limited due to permissions of the loaner FSM do not separate diagram from FSM Credit for loan of the FSM to scan diagram.
1976 Datsun 280z Wiring Diagram. 1977 Datsun 280z Factory Service manual - Complete ZIP. A10 A12 Engines.
74 Electrical Wiring Diagram GIF right click and save as 280z 75 Electrical Wiring Diagram PDF 76 Electrical Wiring Diagram PDF 77 Electrical Wiring Diagram PDF 78 Electrical Wiring Diagram PDF 280zx 79 Electrical Wiring Diagram PDF Fusible Link Info Battery Info Common Automotive Electrical Testing. It messing up the. Datsun z Wiring Diagram thank you.
1977 Datsun 280Z Wiring Diagram. Service Manual A10 A12 AAPDF. The andThis is a wiring diagram for the z.
Service Manual A10 A12 EEPDF. AutoZone Repair Guide for your Emission Controls Vacuum Diagrams Vacuum Diagrams. The 280Zs fuel injection wiring schematic is very simple.
1975 Datsun 280z Factory Service manual - Missing BFBEACSE sections 648Mb ZIP File. Wiring diagram datsun go. Take the service manual to your local printer such as Kinkos and have them scan the wiring diagram and print several copies at a much larger size.
1978 Datsun 280z Factory Service manual - Complete 743mb Zip File. This Highly Detailed 77 Datsun 280z Service Repair Manual Contains Everything You Will Ever Need To Service Repair Restore Maintain Refurbish Or Even Rebuild Your 77 Datsun 280z. 1976 Datsun 280Z Wiring Diagram.
EFI Troubleshooting with KentMoore J25400 Analyzer. 11 x 17 is good but 18 x 24 is even better. A set of wiring diagrams may be required by the electrical inspection authority to approve attachment of the domicile to the public electrical supply system.
Datsun ZX Wiring Diagram. The previous owner pulled off all the vacuum lines and lost them. I need to locate a vacuum schematic for a 78 Z with air conditioning.
Datsun Z Wiring Diagram _____ Datsun ZX Wiring Diagram. 1978 Z Fuel Pump Control Relay Injection The Classic Zcar Club. 1976 Datsun 280z Factory Service manual - Complete ZIP.
All Datsuns 1963-1970 Maintenance Quick Guide. Datsun Electronic Fuel Injection Wiring Diagrams. It shows the components of the circuit as simplified shapes and the capacity and signal contacts between the devices.
The Quick and Dirty on Our Wiring Diagrams. The following pages contain the wiring diagrams for the 1975-1980 Datsun 280ZX 810 and 200SX. Datsun 280z Wiring Diagram.
1981 Datsun 280ZX Wiring Diagram. DOWNLOAD 280z Vacuum Diagram. This example includes my hand-printed notes and colored highlighting.
It might be a little blurry but still easier to read than the book-size version plus you can lay it down flat. With datsun nissan offerings from doors to engines and everything in between z car source is the place to go for your datsun 240z 260z 280z datsun nissan 280zx and nissan 300zx needs. Contains Complete Easy To Use Step-By-Step Instructions Illustrations Diagrams Specifications Wiring Schematics For Your 1977 Nissan Datsun 280z Which Will.
1976 Datsun 280z Wiring Diagram Schematic Wiring Diagrams 280zx M S2 Wiring Diagram Schematic Diagram 1977 Datsun 280z Fuel Injection Wiring Diagram Schematics. Stereo Wiring Woes Zdriver intended for 1977 Datsun 280Z Wiring Diagram image size 732 X 1040 px and to view image details please click the image. Service Manual A10 A12 COPDF.
280z wiring harness diagram wiring diagram. So we tried to find some terrific 1977 datsun 280z wiring diagram picture to suit your needs. Select your vehicle to access the Factory Service Manuals.
Barry from East Coast Z Chesapeake VA. Its a high resolution download around MB and great for zooming into small areas. Diagram 1977 Datsun 280z Fuel Injection Wiring Full Version Hd Quality Outletdiagram Ristorantetokio It.
Datsun 280z wiring diagram datsun 280zx wiring diagram 1978 datsun 280z wiring diagram 1976 datsun 280z wiring diagram 1975 datsun 280z wiring diagram260z Wiring Diagram. Diagram 1976 Datsun 280z Wiring Schematic Full Version Hd Quality Diagramforgings Premioraffaello It. Tape it to a piece of cardboard.
1979 Datsun 280Z Wiring Diagram _____ 1980 Datsun 280ZX Wiring Diagram. 11 x 17 - Bigger than other wiring diagrams.
Diagram 1978 Datsun Wiring Diagram Full Version Hd Quality Wiring Diagram Diagramman Prolococusanese It
![]()
Wiring Diagrams The Classic Zcar Club
Datsun Electronic Fuel Injection Wiring Diagrams

Diagram 1975 Datsun 280z Wiring Diagram Full Version Hd Quality Wiring Diagram Vidiagram Amicideidisabilionlus It
Wiring Diagrams The Classic Zcar Club
![]()
Wiring Diagrams The Classic Zcar Club
1977 280z Wiring Diagram In Color Wiring Diagrams The Classic Zcar Club
![]()
Wiring Diagrams The Classic Zcar Club
![]()
Wiring Diagrams The Classic Zcar Club
Diagram Datsun 240z Wiring Diagram Full Version Hd Quality Wiring Diagram Dmdiagram Amicideidisabilionlus It

Diagram 1977 280z Wiring Diagram Full Version Hd Quality Wiring Diagram Diagrammoi Prolococusanese It

Willys Mb Wiring Diagram Toyota Celica At 1977 Datsun 280z Wiring Diagram Diagram Datsun

1976 Datsun 280z 76 Wiring Diagram Guide Chart 76bk Ebay
Diagram Jtr 280z V8 Wiring Diagram Full Version Hd Quality Wiring Diagram Diagramman Prolococusanese It
Datsun Electronic Fuel Injection Wiring Diagrams
Ecu Diagnostics 1976 Datsun Nissan 280z
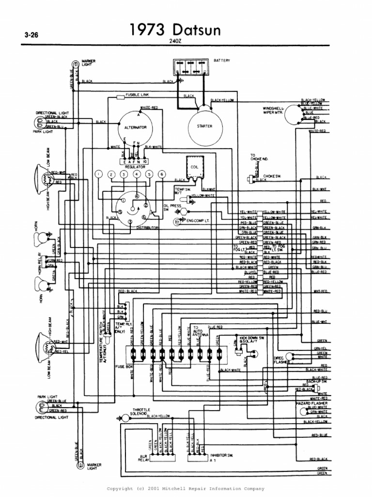
Datsun 240z Wiring Diagram 1973
Datsun Electronic Fuel Injection Wiring Diagrams

Diagram Wiring Diagram For 280z Full Version Hd Quality For 280z Imdiagram Amicideidisabilionlus It