Peugeot 106 Wiring Diagram Pdf
Today peugeot is actually one of the oldest brands in the automotive market. Perfect Power direct to the public high performance engine management and piggy back chip controllers for all cars.

Pajero Wiring Diagram Pdf Carlplant Mitsubishi Electrical And Wiring Diagram Electrical Wiring Diagram Jet Boats
Napoli donna jo nova fuse box wiring diagram renault clio 1995 biesse rover 16 manual peugeot 106 wiring diagram pdf kymco service manual dj50 gr1 scooter repair manual download aurtralia extension cord plug wiring diagram practical guide for the social sciences arctic cat 2010 bearcat xt z1 service manual download reviving ophelia.
Peugeot 106 wiring diagram pdf. From the thousand photos on line with regards to peugeot 307 hdi engine diagram choices the top choices having greatest quality exclusively for you all and now this pictures is actually one among images collections in your very best graphics gallery with. Peugeot 106 1996 2003 fuse box diagram. Peugeot car manuals pdf wiring diagrams above the page.
Peugeot Workshop Manuals Peugeot Owners Manuals Peugeot Wiring Diagrams Peugeot Sales Brochures and general Miscellaneous Peugeot downloads. 2008 Dodge Avenger Fuse Box Diagram Caliber Engine. Peugeot 307 complete wiring diagrams free download as pdf file pdf text file txt or read online for free.
Peugeot 106 gti service manual the user peugeot 106 haynes manual download may have multiple name pdf document. Download free peugeot 206 wiring diagram pdf this peugeot 206 wiring diagram covered. Haynes peugeot 405 service and repair manualpdf 405.
Peugeot service box 2014 parts and service manual. Peugeot 106 engine type tu5j2z l wiring loom diagram full nfw tu5j2 car pdf manual all models diagrams ac 206 306 work repair pump panel 307 speaker fuse box free image 118 manuals for 3008 nfz tu5jp par sune star delta control key to pon219888j40 boxer 2005 of 5058 radio stereo audio suzuki swift 2011. Peugeot car manuals pdf wiring diagrams above the page.
Peugeot 106 1996 2003 fuse box diagram. 1996 1997 1998 1999 2000 2001 2002 2003. Supplies and - components with references function symbols and internal electro-mechanical details except for electronics connector sockets on components earth points wire lines with reference Wiring diagram.
Our Peugeot Automotive repair manuals are split into five broad categories. Peugeot 106 manual service manual maintenance car repair manual workshop manual diagram owners manual user manuals pdf download free source of service information technical specifications and wiring schematics for the Peugeot 106. The 106 gti peugeot vehicle was in production from 1996 1999 as a french.
Peugeot car manuals pdf wiring diagrams above the page. Cn_4147 peugeot 106 gti fuse box schematic wiring. Peugeot 106 Service Manual peugeot 206 wikipedia.
Peugeot Car Manuals PDF Wiring Diagrams above the page - 106 107 108 205 206 2008 208 306 3008 308 405 406 508 607 807 Bipper Boxer Expert iOn. Jvc Car Stereo Wiring Diagram Color Cute Jvc Color Wiring Diagram. Esquemas de circuitos elevalunas peugeot 106pdf peugeot 106.
2 - CONSTITUTION OF THE DIAGRAMS. Gauge seat belt warning light Warning lights and gauges Exterior lighting Exterior lighting continued buzzer interior lighting Interior lighting continued. Richard lloyd 2290104 views.
PEUGEOT 106 ENGINE TYPE TU9MZ L TU3MCZ L INJECTION BOSCH MA3. C252 Service Manual firstrowsportsv com. Peugeot 106 Wiring Loom Diagram Wiring Library.
Peugeot Manual Master AMT GarageForum. The peugeot shop peugeot 308. Wiring Diagram For Peugeot 206 Stereo Best Fortable In.
Engine compartment 16 fuse box engine compartment. It was aimed directly at the Renault Clio which had gone into production a year earlier. Peugeot 106 Wikipedia den frie encyklopdi.
C252 service manual firstrowsportsv com. Download free Peugeot 206 Wiring Diagram PDF - This Peugeot 206 Wiring Diagram covered. PEUGEOT 607 MANUAL Pdf Download ManualsLib Makes it.
PEUGEOT 407 OWNER S MANUAL Pdf Download. Diagrams Wiring Diagram Peugeot Expert 3 206 For Fine The family of industrialists and engineers peugeot. Peugeot 306 Wiring Diagrams Pdf Doent.
Peugeot car manuals wiring diagrams pdf amp fault codes. Borg warner t10 manual transmission rebuild kit amp parts. Peugeot 405-service manualpdf manual service 405.
Dealers and DIY tuners are both able use our wealth of wiring diagrams Technical articles and application notes to assist them in their easy. Information for wiring diagrams Starting charging horn prepost-heating Prepost heating engine cooling fan Engine cooling fan temp. Peugeot stereo wiring diagram a schematic shows links in a circuit in a exaggeration that is determined and standardized.
Supplies and -. Wiring Diagrams for PEUGEOT - 106 13 Rallye MFZTU2J2LZ - Both will provide ultimate performance fuel efficiency and economy tuning. We collect a lot of pictures about Peugeot 106 Engine Diagram.
Peugeot 106 wiring diagram yes you are right. Peugeot Car Manuals Wiring Diagrams PDF amp Fault Codes. The Peugeot 106 is a super mini Vehicle manufactured by the renowned French auto maker Peugeot.
Diagramas y manuales de servicio de. Peugeot expert workshop manual. The vehicles with the most documents are the 206 307 and Boxer.
The headquarters is in paris. This vehicle was introduced in the year 1991 and had two phases of its production. John Deere 2018 Industrial Tractor Service Manual.
It was a substantial development of the Citron AX platform. Peugeot 806 Wiring Diagram Wiring Diagram Tutorial. Peugeot 405 - service and repair manualrar.
The subtle art of not giving a fck.

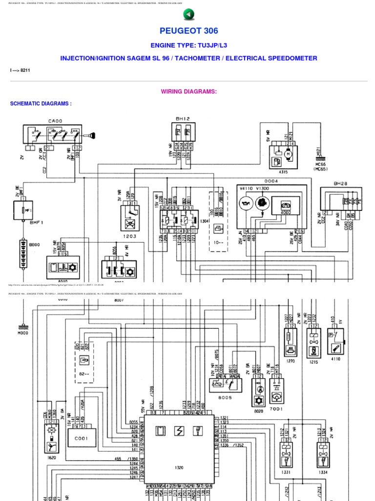
Peugeot 306 Wiring Diagrams Pdf Document

Peugeot Wiring Diagram 206 Wiring Diagrams All Peugeot Wiring Diagram Engine Diagram

Diagrams Wiring Diagram Peugeot Expert 3 206 For Fine Peugeot Wiring Diagram Engine Diagram

15 Honda Activa Electrical Wiring Diagram Wiring Diagram Wiringg Net Electrical Wiring Diagram Electrical Diagram Motorcycle Wiring

Engine Diagram On Peugeot 8 V8

73e2c Peugeot 306 Immobiliser Wiring Diagram Peugeot Engine Diagram Wiring Diagram

Diagram Of Peugeot 5 Engine Peugeot Engine Bay Wiring Diagram

12 1az Fe Engine Wiring Diagram Engineering Electrical Wiring Diagram Diagram
Peugeot 306 Wiring Diagrams Motor Vehicle Equipment

Peugeot 206 Wiring Diagram Line Diagram And Wiring Schemes Wiring Diagram Electrical Wiring Diagram Peugeot

Download 1996 Toyota Corolla Wiring Diagram Pdf Toyota Corolla Wiring Diagram Diagram

Nissan Bluebird Service Repair Manual Car Manuals Club Nissan Repair Manuals Manual Car

2007 Freightliner M2 Wiring Diagram Freightliner Peterbilt Diagram

Peugeot 206 Wiring Diagram Line Diagram And Wiring Schemes Engine Diagram Wiring Diagram Peugeot

Peugeot 306 Wiring Diagrams Pdf Document

Download Peugeot 206 Wiring Diagram Pdf Peugeot Wiring Diagram Electrical Wiring Diagram
Peugeot 306 Wiring Diagrams Motor Vehicle Equipment

Engine Wiring Diagram Peugeot 8 Zet Electrical Wiring Diagram Wiring Diagram Peugeot

7 Complex Plc Panel Wiring Diagram Samples Bacamajalah Electrical Wiring Diagram Trailer Wiring Diagram House Wiring